
FD30-110S05B3C3 |
|||
| brand: | AIPU | ||
| series: | FD30-110S12B3C3 | ||
| describe: | 30W DC_DC | ||
宽范围输入 :(4:1)输出功率 30W
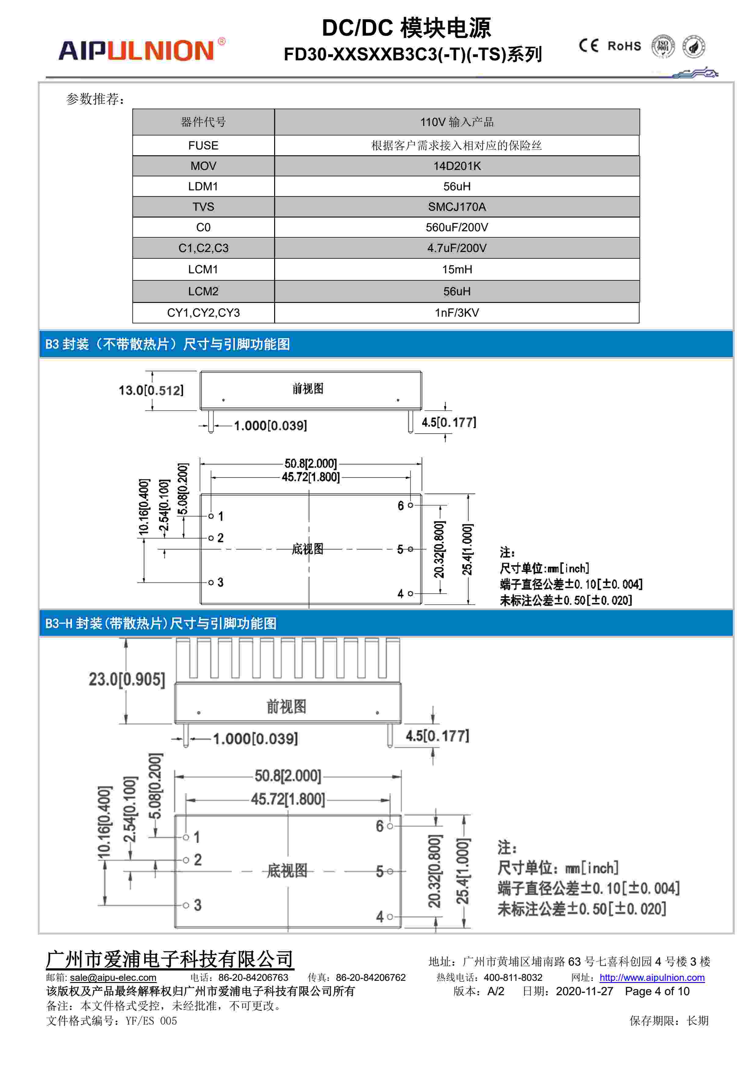
薄封装:13mm
转换效率高达 90%
低待机功耗低至 2W
输出超快速启动:启动时间低至 10ms
长期短路保护,自动恢复
输入欠压,输出过压、短路、过流保护
开关频率 300KHz
隔离电压 3000VDC/1500VAC
工作温度范围:-40°C~+85°C
电磁兼容 EMI 特性好
国际标准引脚