welcome to the power supply and device library! Global Spot, Quality Assurance, Flash Shipping
Quick response power supply, device, and material supply platform
Welcome to the power supply and device library! Global Supply and Quality Assurance
Home
Category
Brand
Product
About Us
History
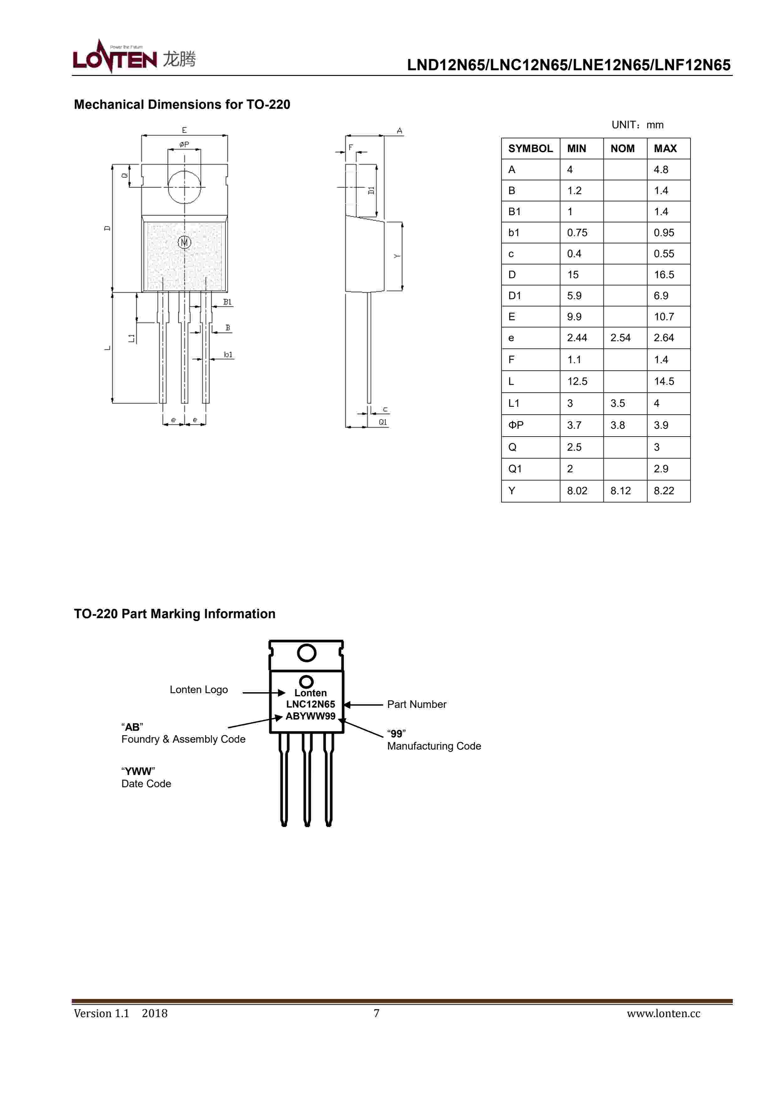
LNE12N65
brand:
LONTEN
series:
LONTEN-LND12N65(1)
describe:
Lonten N-channel 650V, 12A Power MOSFET
For consultation and purchase, please contact customer service
18902851717
18902851717
1034888950
1034888950@qq.com
Inquire Now
Related
LND12N65
LNC12N65
LNE12N65
LNF12N65
display all
DataSheet