welcome to the power supply and device library! Global Spot, Quality Assurance, Flash Shipping
Quick response power supply, device, and material supply platform
Welcome to the power supply and device library! Global Supply and Quality Assurance
Home
Category
Brand
Product
About Us
History
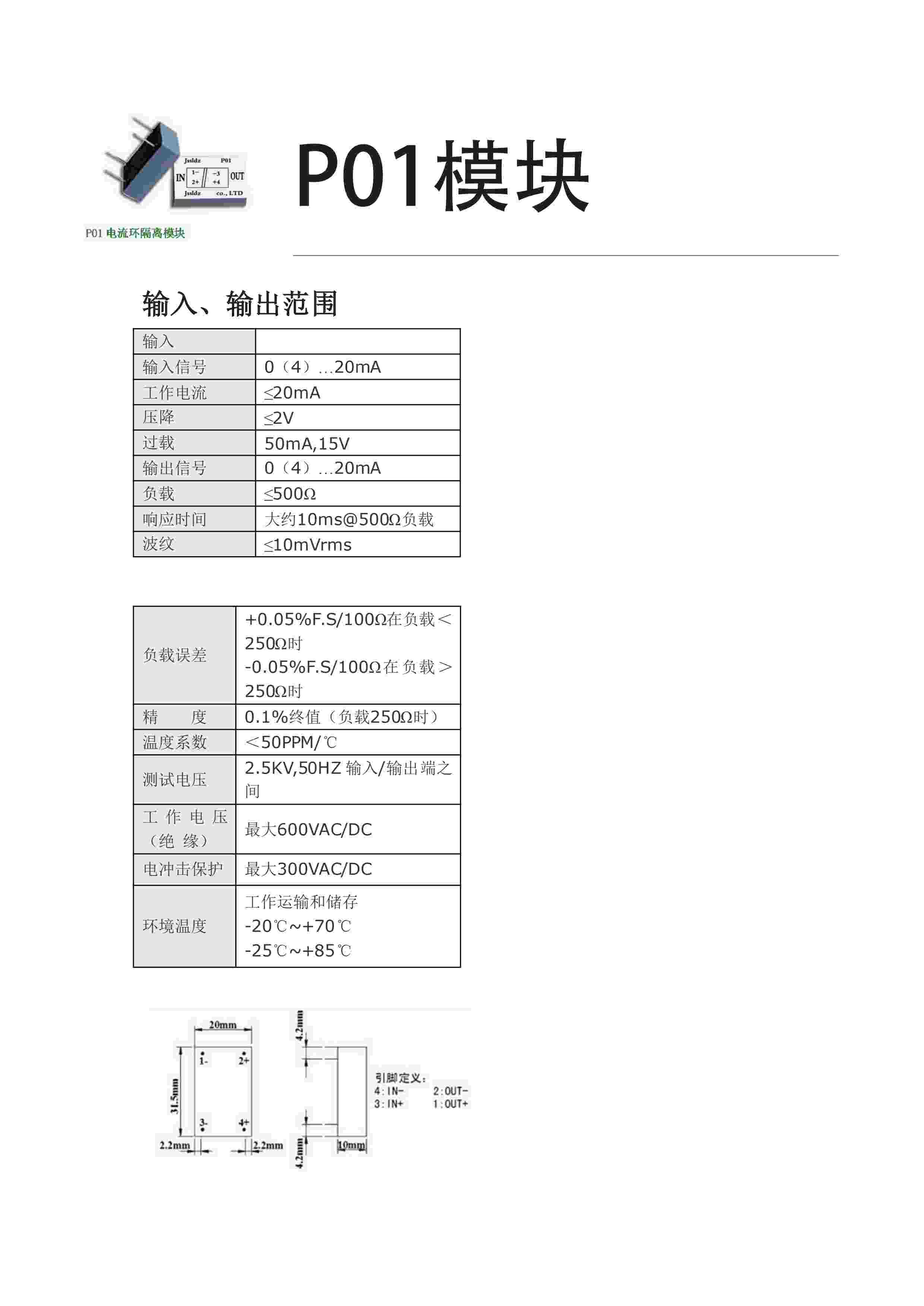
P-01无源隔离模块
brand:
PARAGON
series:
P-01无源隔离模块
describe:
P-01无源隔离模块 隔离模块从测量信号中获取很低的电源,仅为2V。并不会影响输入设备造成信号衰弱。可以用于所有1:1传送场合。
For consultation and purchase, please contact customer service
18902851717
18902851717
1034888950
1034888950@qq.com
Inquire Now
Related
P-01无源隔离模块
display all
DataSheet