welcome to the power supply and device library! Global Spot, Quality Assurance, Flash Shipping
Quick response power supply, device, and material supply platform
Welcome to the power supply and device library! Global Supply and Quality Assurance
Home
Category
Brand
Product
About Us
History
ZY0515FKD-2W
brand:
ZLG
series:
ZY_ED_FKD-2W_ds
describe:
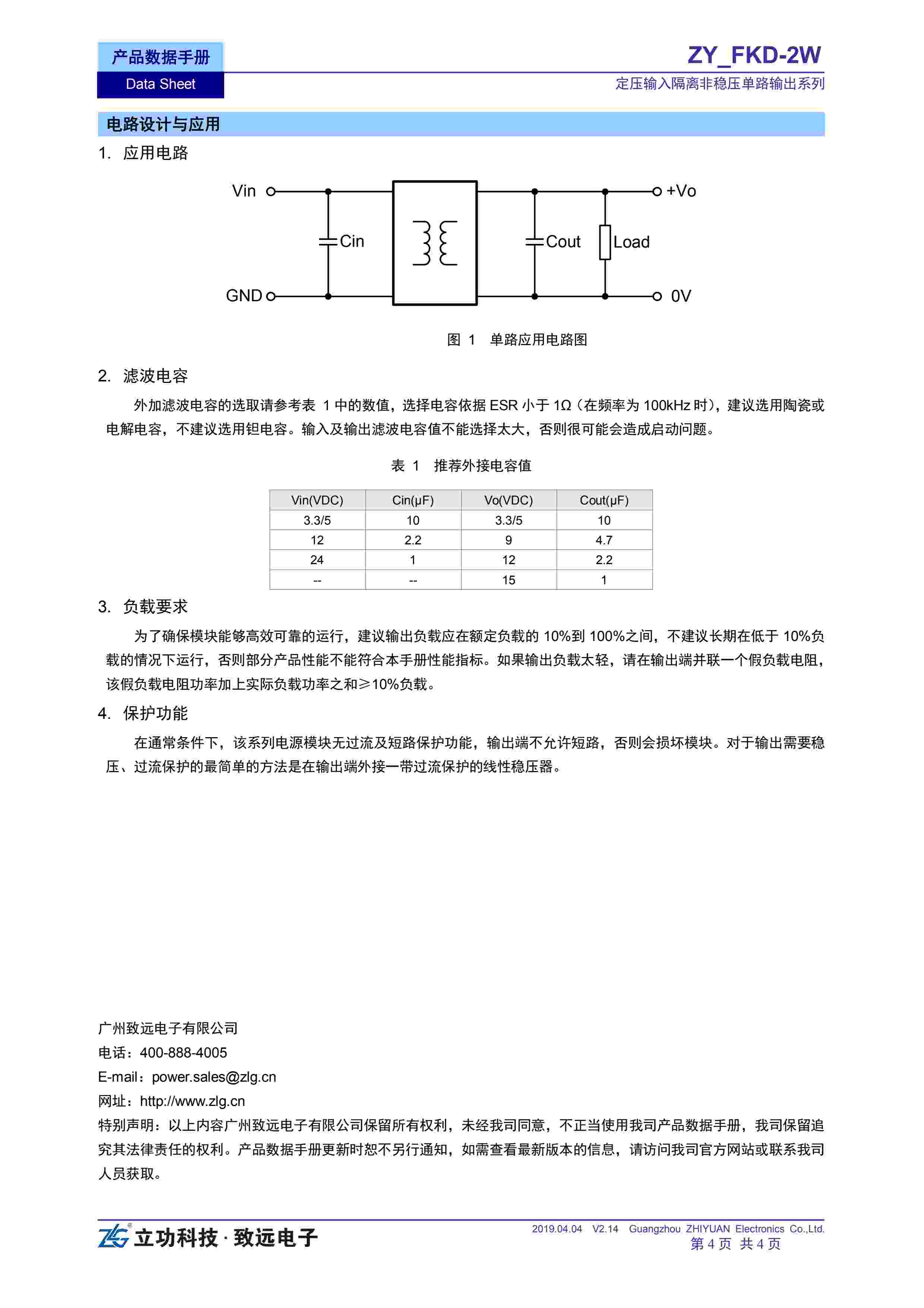
定压输入隔离非稳压单路输出系列
For consultation and purchase, please contact customer service
18902851717
18902851717
1034888950
1034888950@qq.com
Inquire Now
Related
ZY0305FKD-2W
ZY0503FKD-2W
ZY0505FKD-2W
ZY0509FKD-2W
ZY0512FKD-2W
ZY0515FKD-2W
ZY1205FKD-2W
ZY1209FKD-2W
ZY1212FKD-2W
ZY1215FKD-2W
ZY2405FKD-2W
ZY2409FKD-2W
ZY2412FKD-2W
ZY2415FKD-2W
display all
DataSheet