welcome to the power supply and device library! Global Spot, Quality Assurance, Flash Shipping
Quick response power supply, device, and material supply platform
Welcome to the power supply and device library! Global Supply and Quality Assurance
Home
Category
Brand
Product
About Us
History
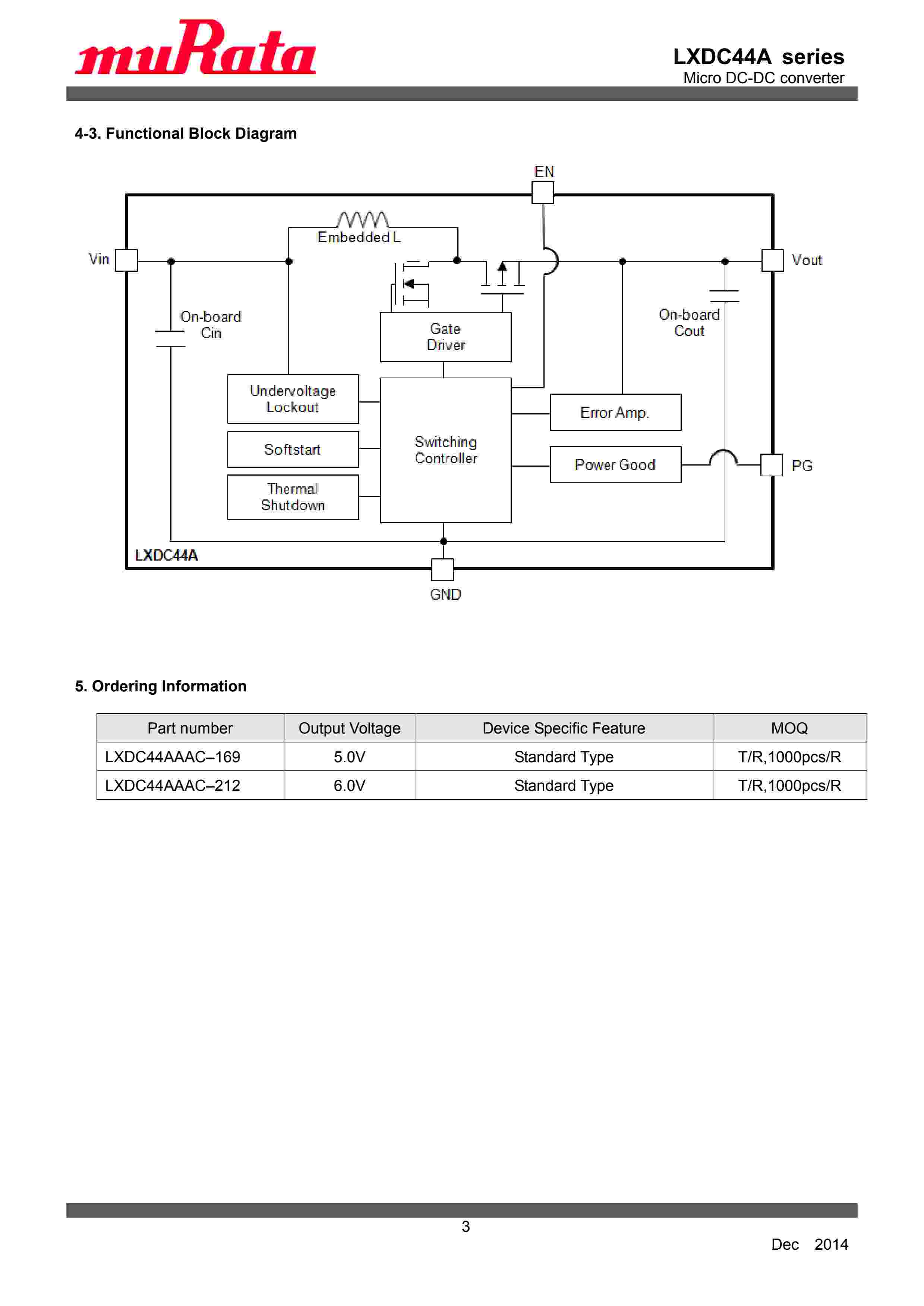
LXDC44AAAC–212
brand:
MURATA
series:
LXDC44A
describe:
Small footprint boost converter for up to 700mA output current application ,Switching frequency : 3.3MHz , Automatic PWM/PFM mode switching for high efficiency
For consultation and purchase, please contact customer service
Inquire Now
Related
LXDC44AAAC–169
LXDC44AAAC–212
display all
DataSheet