welcome to the power supply and device library! Global Spot, Quality Assurance, Flash Shipping
Quick response power supply, device, and material supply platform
Welcome to the power supply and device library! Global Supply and Quality Assurance
Home
Category
Brand
Product
About Us
History
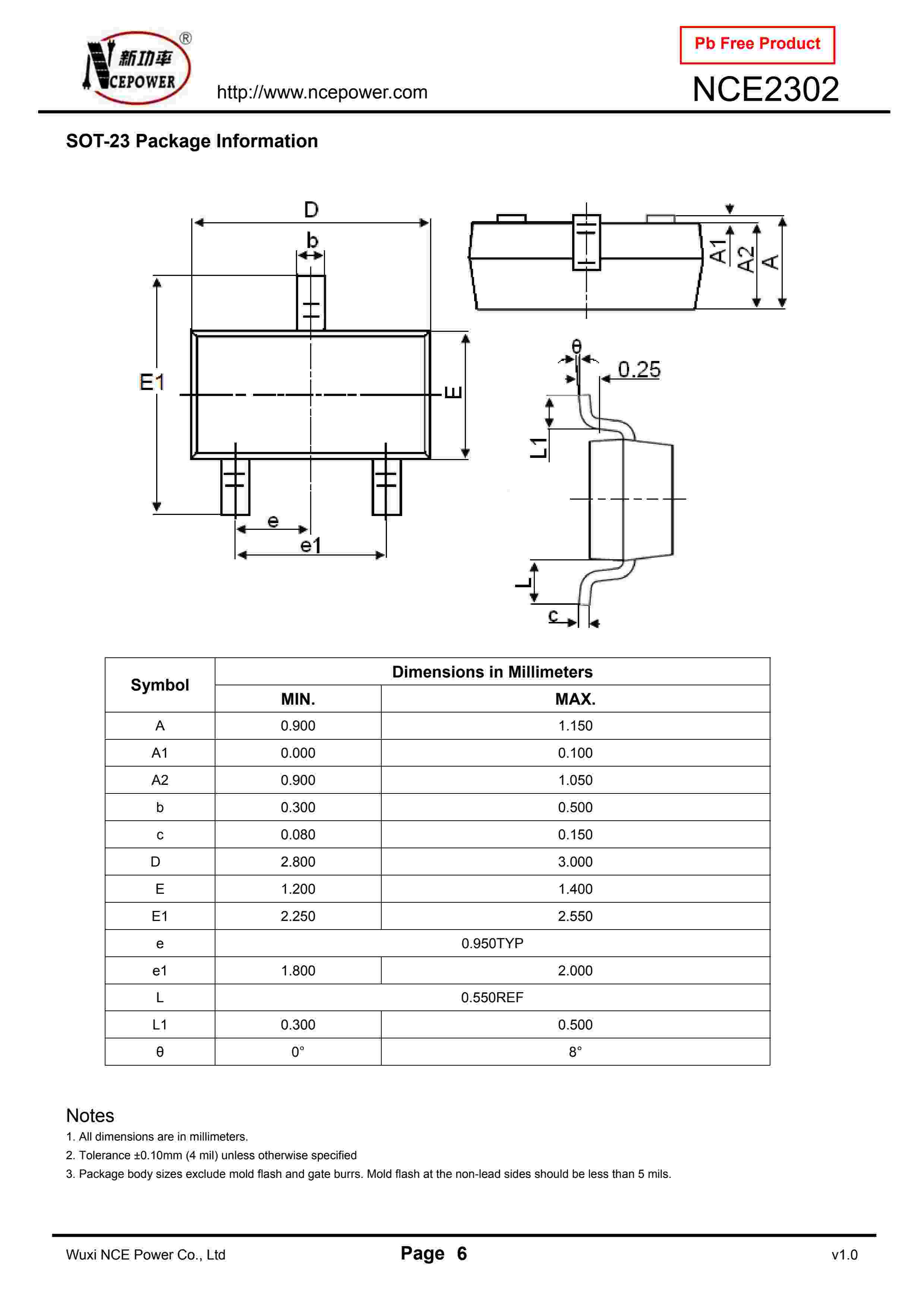
nce2302
brand:
NCEPOWER 新洁能
series:
nce2302
describe:
NCE N-Channel Enhancement Mode Power MOSFET SOT-23 20V 4A 1W +/-12V 30mΩ
For consultation and purchase, please contact customer service
18902851717
18902851717
1034888950
1034888950@qq.com
Inquire Now
Related
nce2302
display all
DataSheet