welcome to the power supply and device library! Global Spot, Quality Assurance, Flash Shipping
Quick response power supply, device, and material supply platform
Welcome to the power supply and device library! Global Supply and Quality Assurance
Home
Category
Brand
Product
About Us
History
nce3134
brand:
NCEPOWER 新洁能
series:
nce3134
describe:
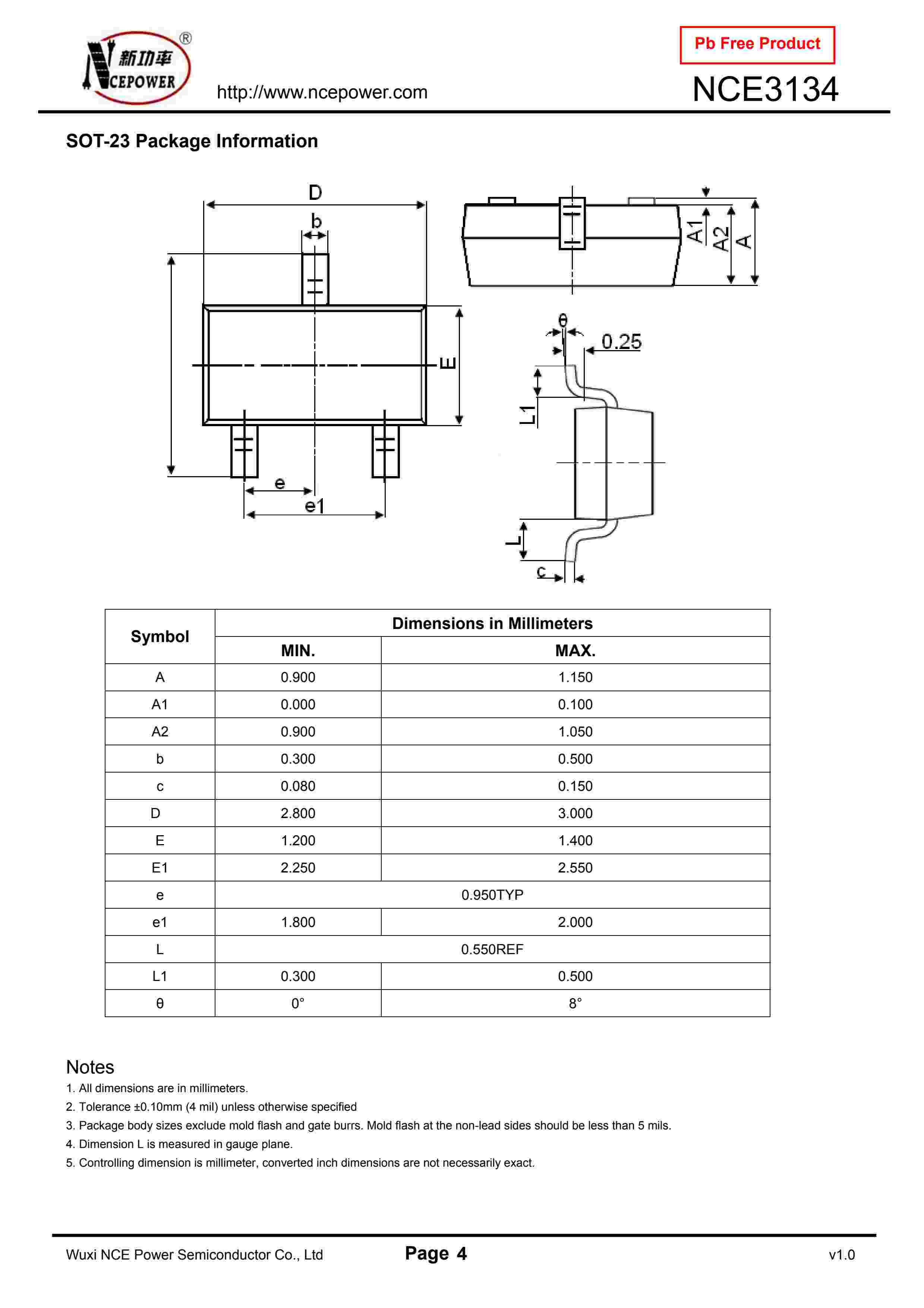
NCE N-Channel Enhancement Mode Power MOSFET SOT-723 20V 0.5A 0.9W +/-10V 270mΩ
For consultation and purchase, please contact customer service
18902851717
18902851717
1034888950
1034888950@qq.com
Inquire Now
Related
nce3134
display all
DataSheet