welcome to the power supply and device library! Global Spot, Quality Assurance, Flash Shipping
Quick response power supply, device, and material supply platform
Welcome to the power supply and device library! Global Supply and Quality Assurance
Home
Category
Brand
Product
About Us
History
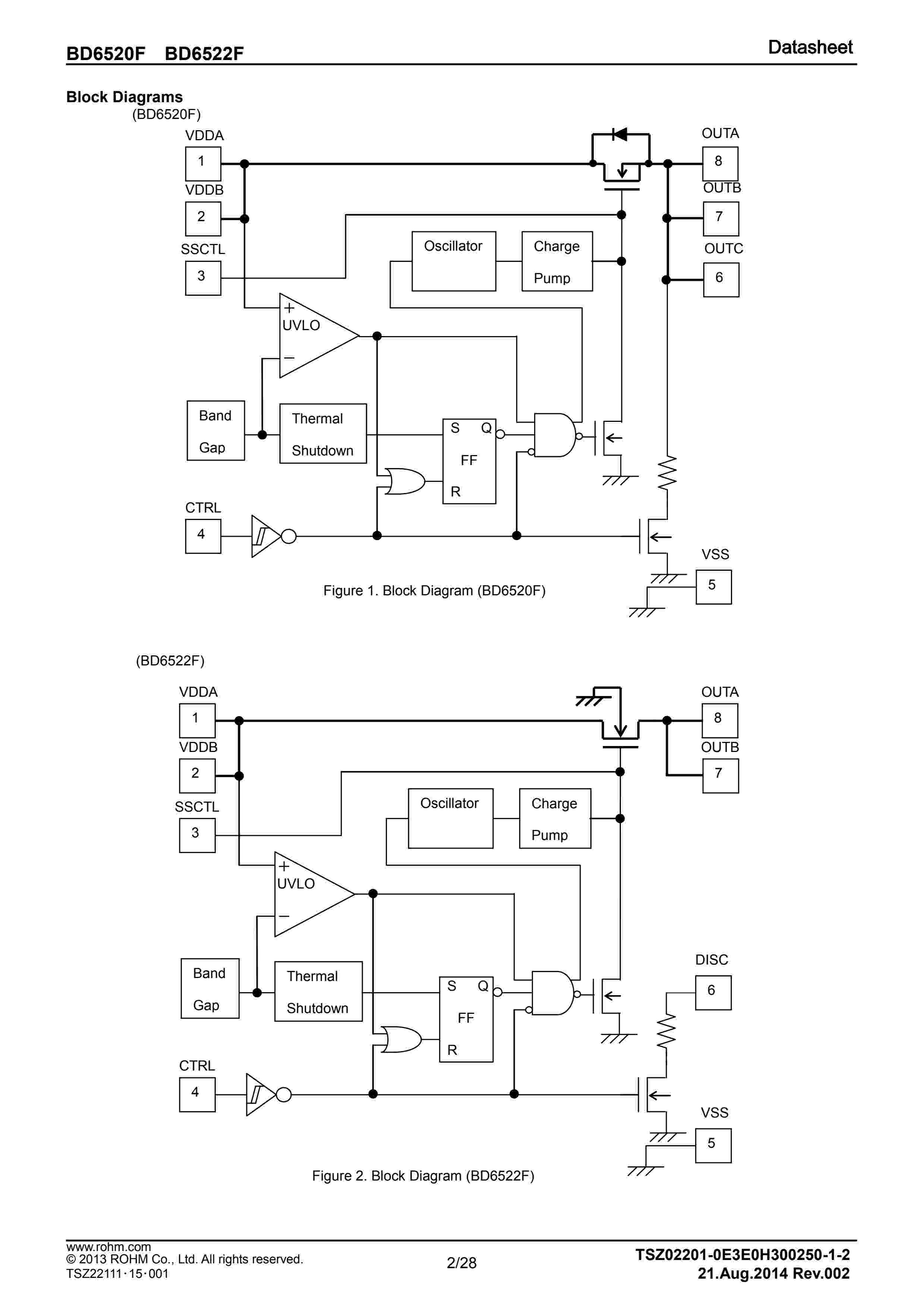
BD6522F
brand:
ROHM
series:
bd6520f-e
describe:
Load Switch ICs 2.0A Current Load Switch ICs for Portable Equipment
For consultation and purchase, please contact customer service
18902851717
18902851717
1034888950
1034888950@qq.com
Inquire Now
Related
BD6520F
BD6522F
display all
DataSheet