welcome to the power supply and device library! Global Spot, Quality Assurance, Flash Shipping
Quick response power supply, device, and material supply platform
Welcome to the power supply and device library! Global Supply and Quality Assurance
Home
Category
Brand
Product
About Us
History
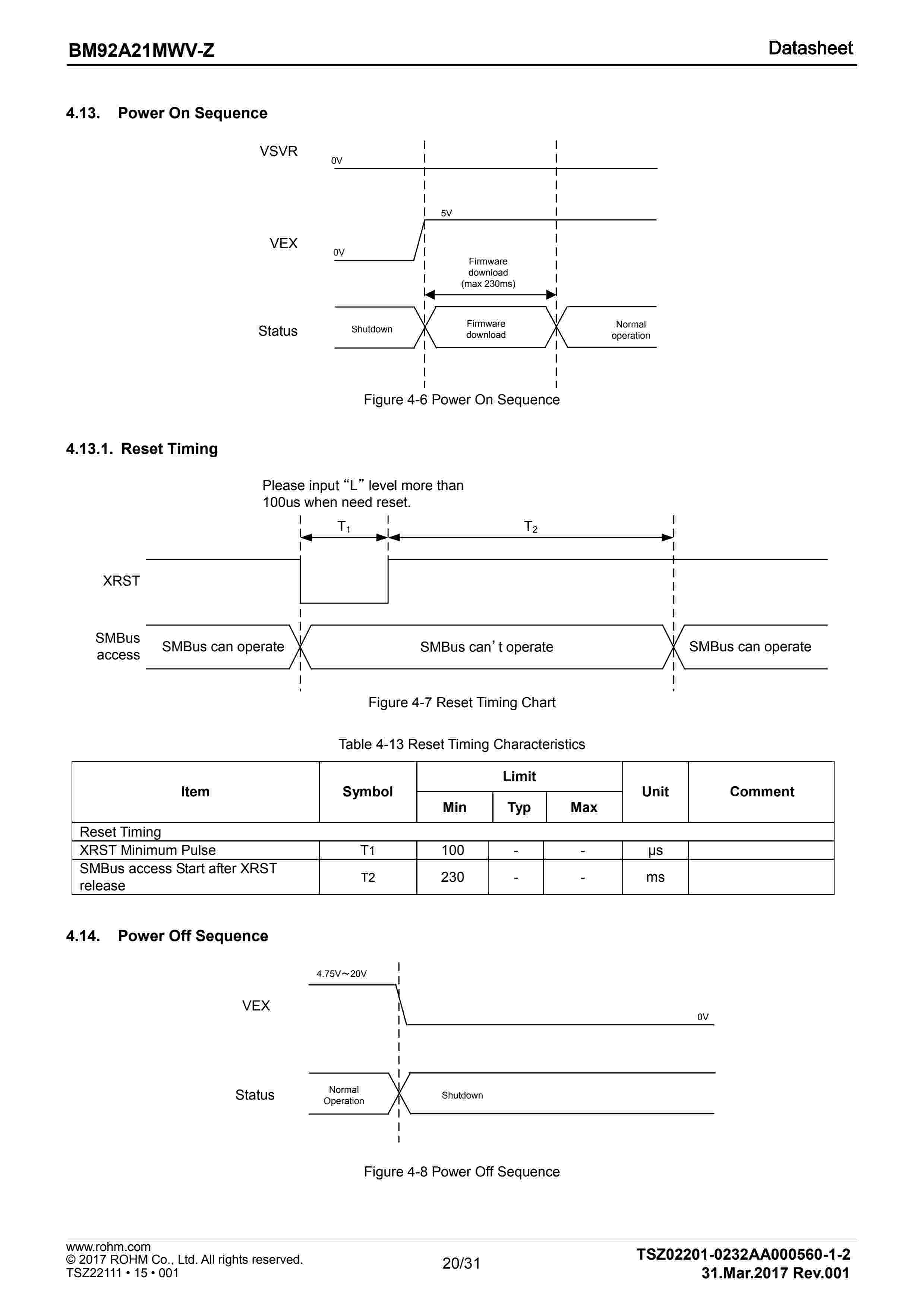
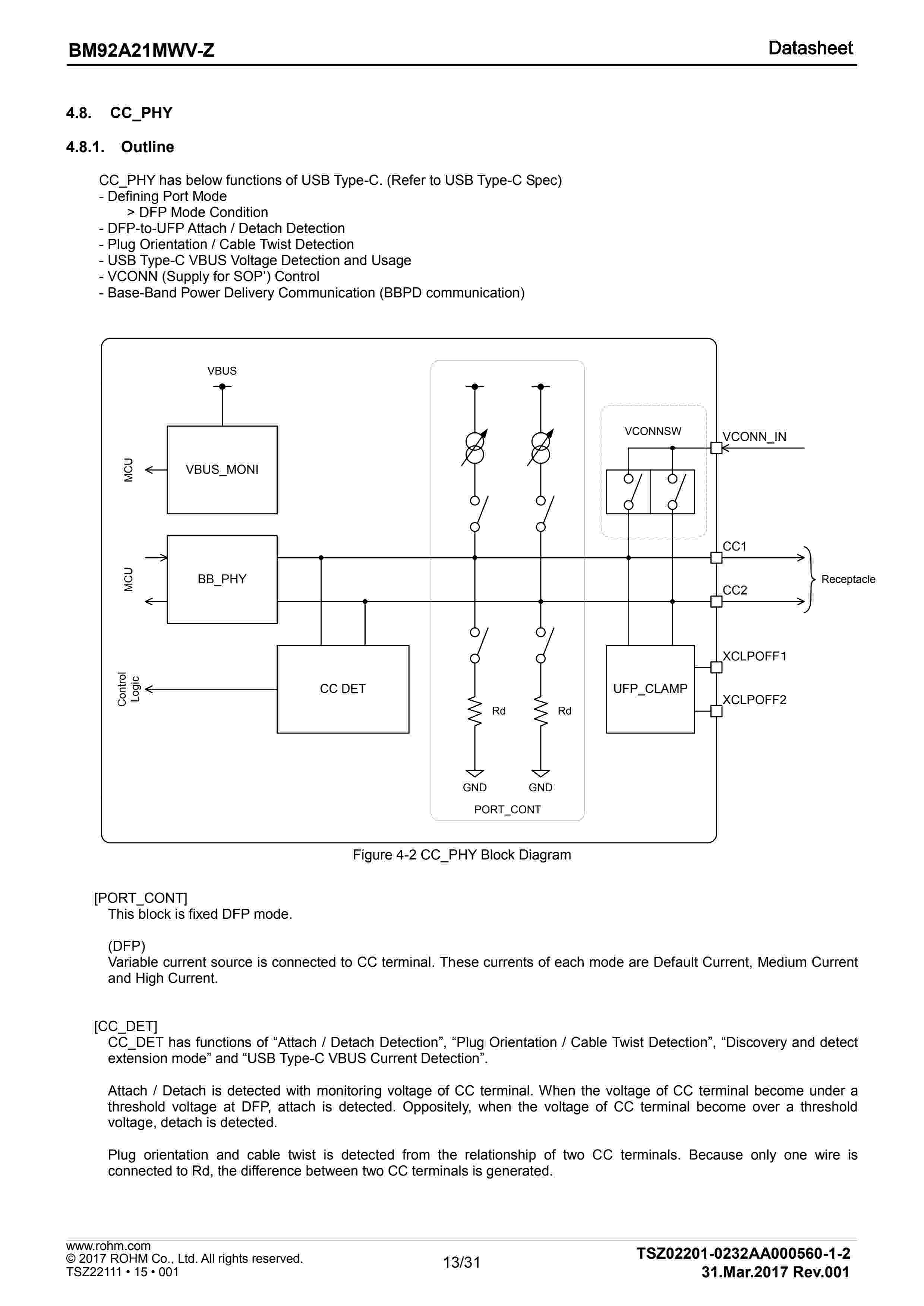
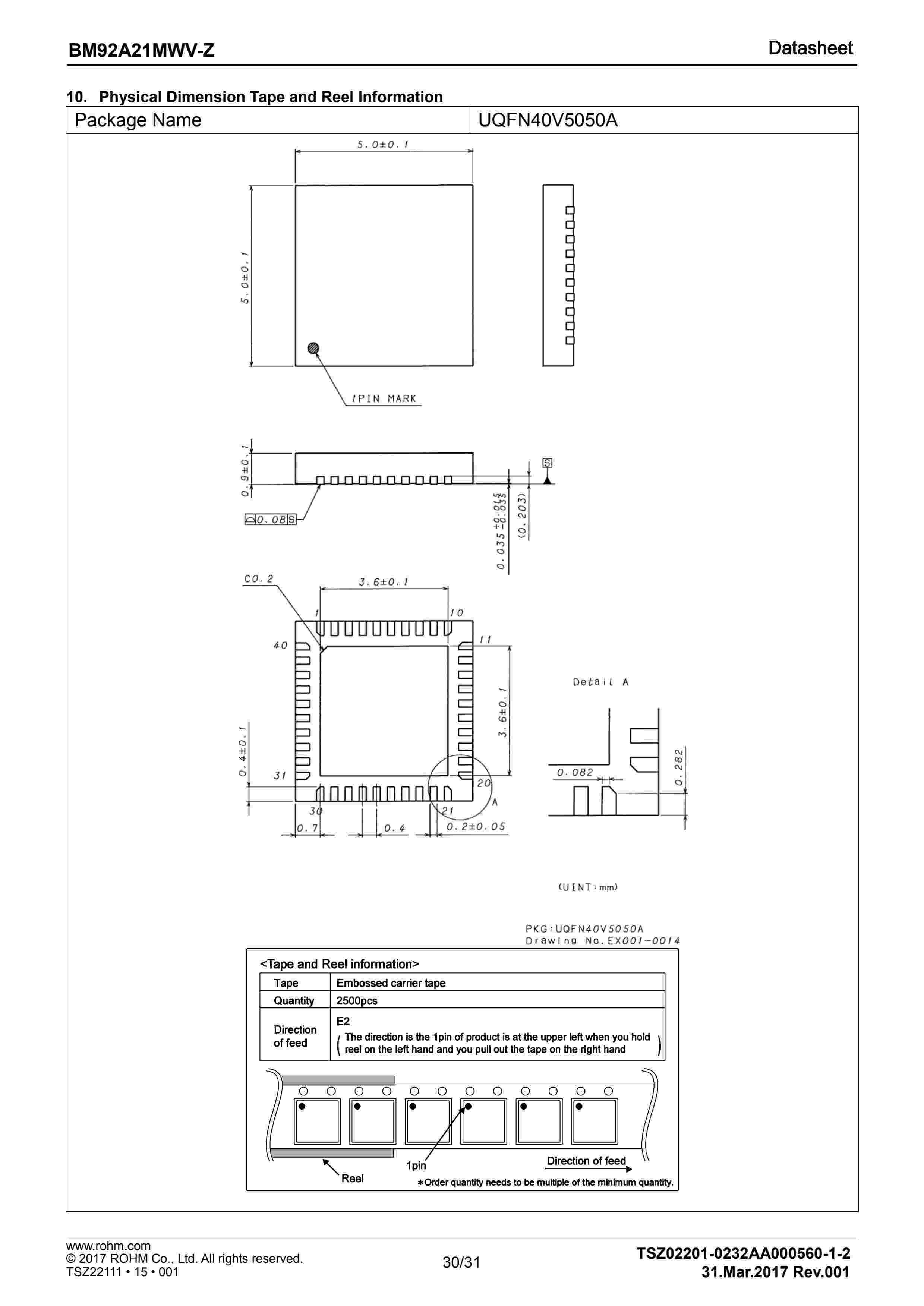
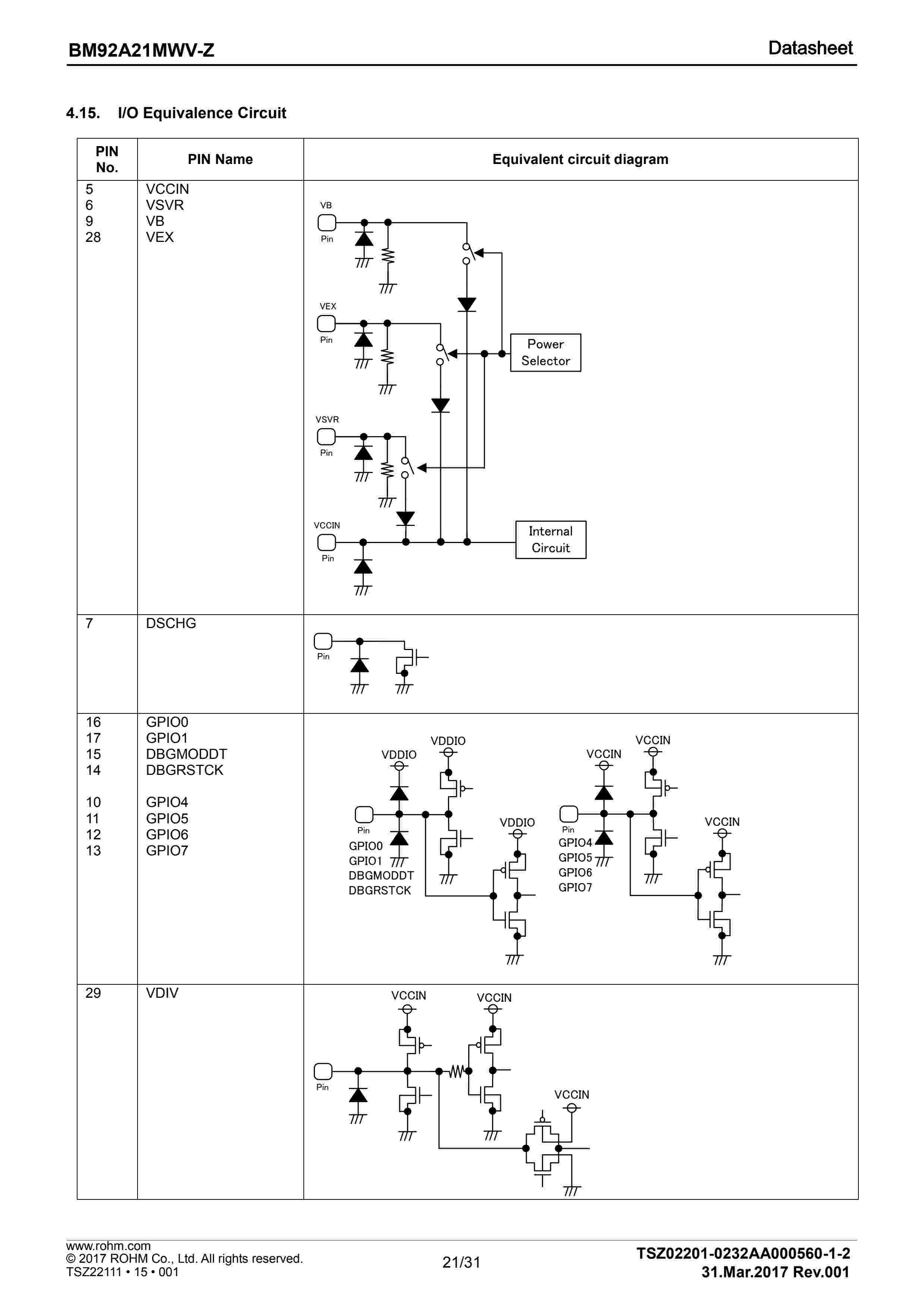
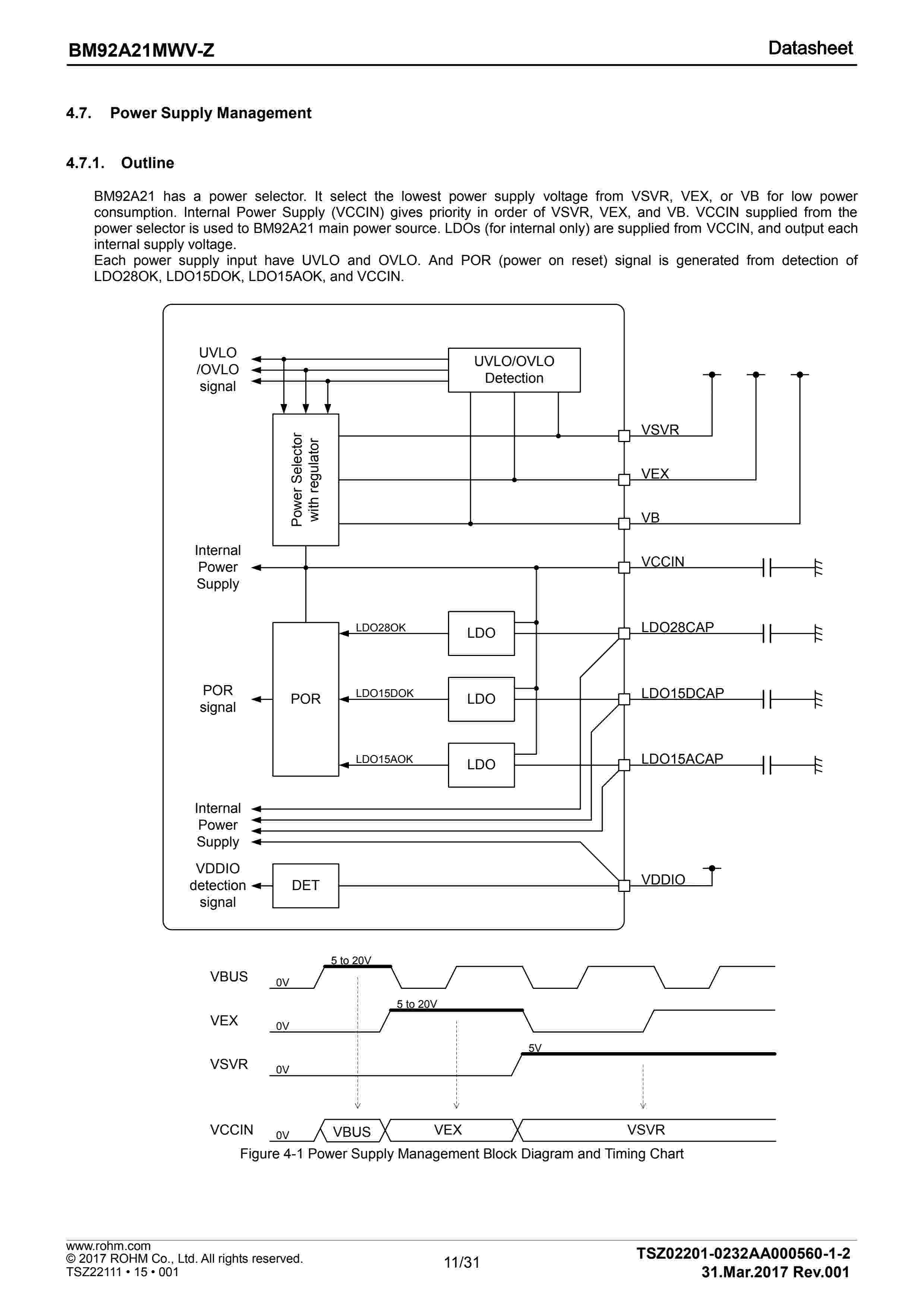
BM92A21MWV-Z
brand:
ROHM
series:
bm92a21mwv-e
describe:
USB Type-C Power Delivery Controller
For consultation and purchase, please contact customer service
18902851717
18902851717
1034888950
1034888950@qq.com
Inquire Now
Related
BM92A21MWV-Z
display all
DataSheet