
| overview | |||
| model |
JTH1524D12-R
|
manufacturer | XP Power |
| series | JTH | Category | DC/DC |
| Function Description |
|
||
| detailed parameters | |||
| model | JTH1524D12-R | Stable voltage output | REGULATED(1-3%) |
| output power | 15W | Short circuit protection | CONTINUOUS |
| input voltage | 9-36VDC | temperature range | -40˚cto+85˚c |
| Output voltage | ±12.0VDC | efficiency | 85 % |
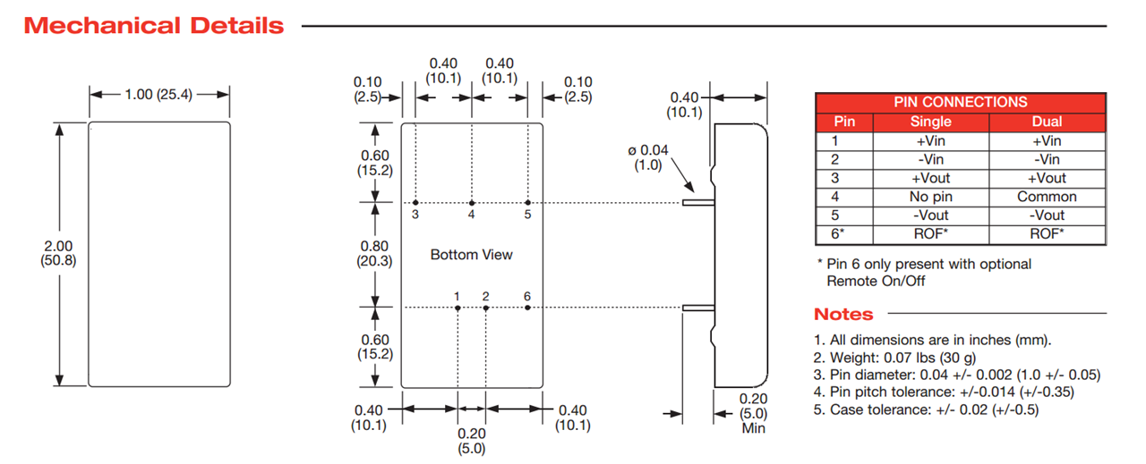
| package | 2x1 | Is it imported | Y |
| Package Size | 50.8×25.4×10.2mm | authentication | RoHS,CE |
| maximum output current | ±625mA | Grade | High quality |
| Isolation Voltage | 1500 VDC | Housing material | metal |
| Pin arrangement diagram | view | ||