
| detailed parameters | |||
| model | REC7.5-1209SRW/H1/A/M | Stable voltage output | REGULATED(1-3%) |
| output power | 7.5W | Short circuit protection | CONTINUOUS |
| input voltage | 9-18VDC | temperature range | -40˚cto+85˚c |
| Output voltage | 9VDC | efficiency | 81-84 % |
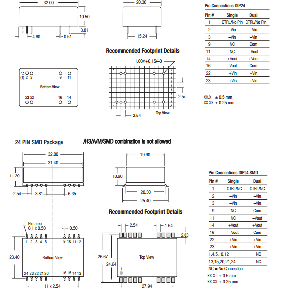
| package | DIP24 | Is it imported | Y |
| Package Size | 32.00/20.30/10.50mm | authentication | RoHS,CE |
| maximum output current | 833mA | Grade | High quality |
| Isolation Voltage | 1000 VDC | Housing material | metal |
| Pin arrangement diagram | view | ||