
| detailed parameters | |||
| model | REC3-2405DR/H1 | Stable voltage output | REGULATED(1-3%) |
| output power | 3W | Short circuit protection | CONTINUOUS |
| input voltage | 20.4-27.6VDC | temperature range | -40°Cto+85°C |
| Output voltage | ±5VDC | efficiency | |
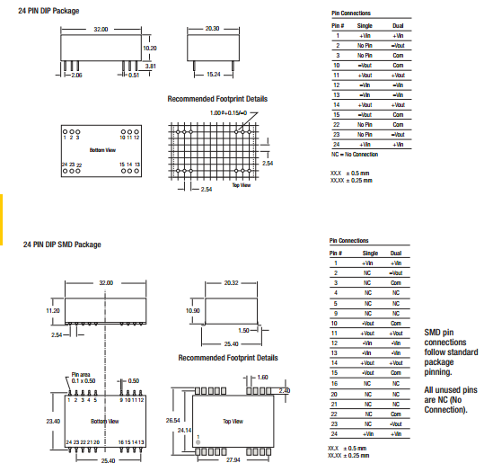
| package | DIP24 | Is it imported | Y |
| Package Size | 32.00/20.30/10.20mm | authentication | RoHS,CE |
| maximum output current | ±300mA | Grade | High quality |
| Isolation Voltage | 1000 VDC | Housing material | plastic |
| Pin arrangement diagram | view | ||