
| overview | |||
| model |
B2412XLS-1W.5.6
|
manufacturer | MICRODC |
| series | B-XLS-1W.5.6 | Category | DC/DC |
| Function Description |
|
||
| detailed parameters | |||
| model | B2412XLS-1W.5.6 | Stable voltage output | UNREGULATED |
| output power | 1W | Short circuit protection | 1second(-suffix"P" continous) |
| input voltage | 24VDC | temperature range | -40-85°C |
| Output voltage | 24VDC | efficiency | |
| package | SIP7 | Is it imported | N |
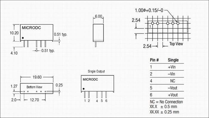
| Package Size | 19.6*10*6mm | authentication | CE,ROHS |
| maximum output current | 83 | Grade | High quality |
| Isolation Voltage | 1000VDC VDC | Housing material | plastics |
| Pin arrangement diagram | view | ||