
| detailed parameters | |||
| model | BRA15-24S1W | Stable voltage output | REGULATED(1-3%) |
| output power | 15W | Short circuit protection | CONTINUOUS |
| input voltage | 9-36VDC | temperature range | -40˚cto85˚c |
| Output voltage | 5VDC | efficiency | |
| package | DIL,SIL | Is it imported | Y |
| Package Size | 25.40*25.40*10.20 | authentication | RoHS,CE |
| maximum output current | 3000 | Grade | High quality |
| Isolation Voltage | 1.5K Vdc VDC | Housing material | Plastics or metal |
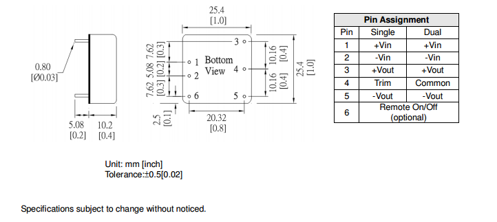
| Pin arrangement diagram | view | ||