
| detailed parameters | |||
| model | RW-123.3S | Stable voltage output | REGULATED(1-3%) |
| output power | 3W | Short circuit protection | Continuous Short Circuit Protection |
| input voltage | 9–18VDC | temperature range | –40°Cto 85°C |
| Output voltage | 3.3VDC | efficiency | |
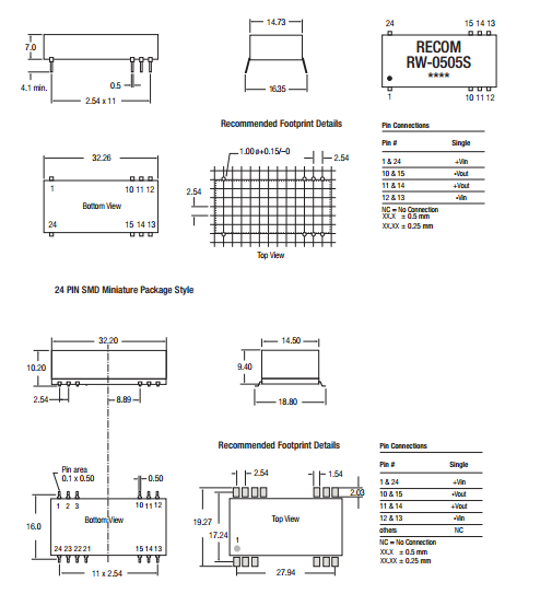
| package | DIP24/SMD | Is it imported | Y |
| Package Size | DIP24(32.26/14.73/7.0)SMD(32.20/14.50/10.20) | authentication | RoHS,CE |
| maximum output current | 650mA | Grade | High quality |
| Isolation Voltage | 1000VDC VDC | Housing material | Plastics |
| Pin arrangement diagram | view | ||