
| overview | |||
| model |
A0305T-1W
|
manufacturer | MICRODC |
| series | A-NXT-1W | Category | DC/DC |
| Function Description |
|
||
| detailed parameters | |||
| model | A0305T-1W | Stable voltage output | UNREGULATED |
| output power | 1W | Short circuit protection | 1second(-suffix"P" continous) |
| input voltage | 3.3VDC | temperature range | -40-85°C |
| Output voltage | ±05VDC | efficiency | |
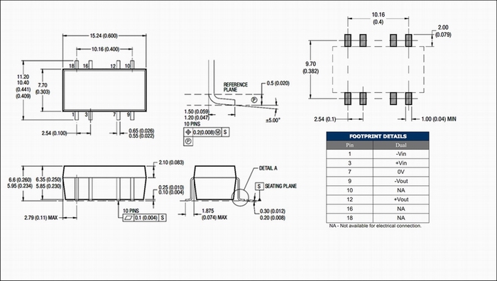
| package | SMD10 | Is it imported | N |
| Package Size | 16.3x11x6mm | authentication | CE,ROHS |
| maximum output current | 100mA | Grade | High quality |
| Isolation Voltage | 1000 VDC | Housing material | plastics |
| Pin arrangement diagram | view | ||